Technical

 

Home   1400cc to 1800cc Modifications Technical   Red Cat SLR No.77 Le Mans Links

Useful technical info ........

 

Electrical:

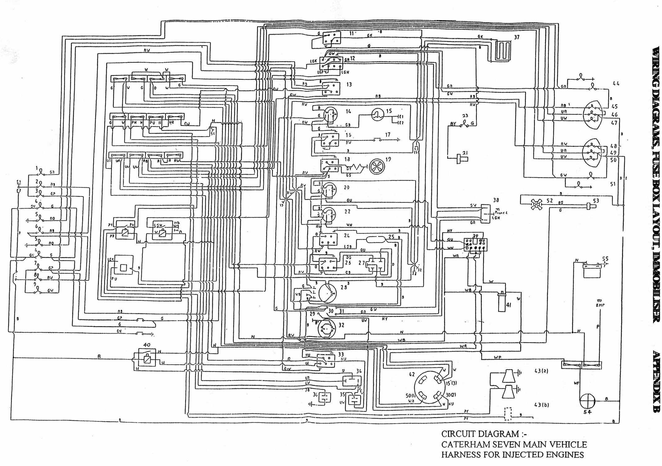
1998 circuit diagram (car loom)

1998 circuit diagram (key)

2000-on circuit diagram (car loom)

Tyres:

Avon tyres - direction of fitment diagram

 

 

 

 

 

 

 

 

 

 

 

 

www.superse7ens.co.uk © 2009     contact: webmaster@superse7ens.co.uk